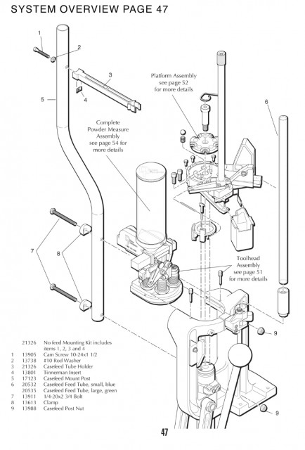
System Overview Manual Page 47 Finn delenummer på bilde og velg i nedtreksmenyen Ta kontakt via skjemaet under for pris XL650 System Overview Manual Page 4721326 +445,0013905 +59,0013738 +59,0013801 +59,0017123 +648,0020532 +466,0020535 +466,0013911 +86,0013613 +246,0013988 +59,00 Bestillinsvare Kjøp Ønskeliste Vipps hurtigkasseKjøp nå med Vipps hurtigkasse Forespør et pristilbud for dette produktet: Navn E-postadresse Telefon Emne/produkt Antall Henvendelse Jeg godtar betingelsene Send Del dette Produktanmeldelser (0) Skriv en produktanmeldelse og del dine erfaringer med dette produktet med andre kunder. Email Navn Din vurdering? 1 star 2 star 3 star 4 star 5 star 6 star Oppgi en tittel for anmeldelsen din Skriv inn produktanmeldelsen i feltet under