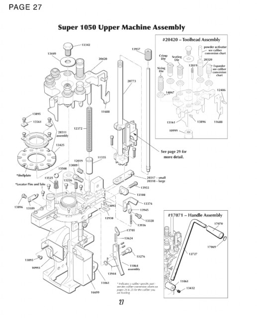
Super 1050 Upper Machine Assy Finn delenummer på bilde og velg i nedtreksmenyen NOK12,50 inkl. mva. Super1050 Upper Machine Assy Manual Page 2713449 +72,0020420 +4 304,0013957 +180,0020773 +1 401,0011688 +363,0012572 +270,0011335 +405,0013895 +49,0013561 +69,0020311 +810,0013425 +844,0012019 +371,0013089 +253,0013508 +72,0013525 +72,0013226 +49,0013896 +49,0013189 +169,0010993 +205,0012930 +149,0020317 +1 941,0020318 +1 941,0013955 +49,0013108 +354,0013376 +397,0013945 +49,0013328 +181,0013936 +103,0013705 +127,0013624 +72,0013276 +97,0011064 +2 194,0013944 +98,0011061 +2 515,0017071 +1 097,0017070 +625,0017069 +49,0012727 +776,0013432 +49,0016699 +205,0013342 +72,0020320 +490,0012819 +219,0014067 +57,0012486 +169,0013161 +270,0010999 +2 734,00 Bestillinsvare Kjøp Ønskeliste Vipps hurtigkasseKjøp nå med Vipps hurtigkasse Del dette Produktinfo Produktanmeldelser (0) Deler til Super 1050 Skriv en produktanmeldelse og del dine erfaringer med dette produktet med andre kunder. Email Navn Din vurdering? 1 star 2 star 3 star 4 star 5 star 6 star Oppgi en tittel for anmeldelsen din Skriv inn produktanmeldelsen i feltet under